Специальная защита постоянного тока для фотоэлектрических массивов.
Эти арестователи типа 2 защищают строки фотоэлектрических систем, шины и входы инвертора от переходных перенапряжений, вызванных событиями молнии или операциями переключения. Они обеспечивают эквипотенциальную связь как положительных, так и отрицательных PV -шин и помогают поддерживать время безотказной системы на всех уровнях молнии (LPL I - IV).
U или y -соединение - выберите то, что нужно вашему дизайну.
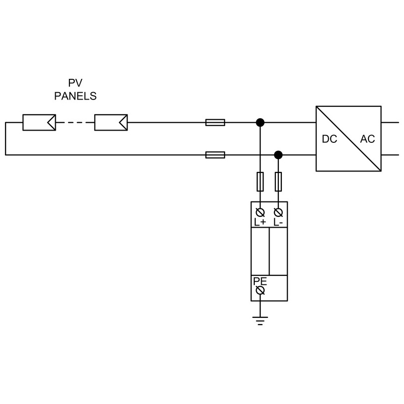
U Соединение: обычная топология защиты для схем PV DC.
Y Соединение: Варисторы, расположенные для PE, поэтому рабочие проводники остаются устойчивыми к Земле, и через проводник PE существует нулевое остаточное (утечка) ток, улучшая поведение EMC и минимизацию путей тока неприятностей.
Встроенная безопасность-не требуется резервный предохранитель.
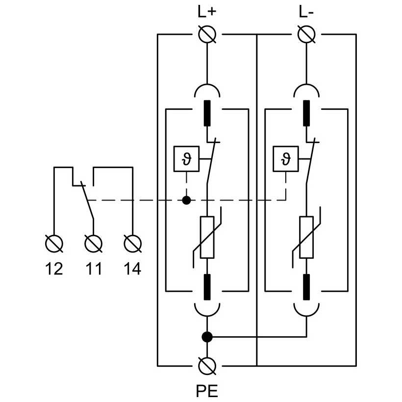
Особенности варисторных секторов между L+, L- и PE имеют внутренние тепловые разъединения. Когда вариант достигает окончания жизни (перегрев), разъединяет, заметно указывая на ошибку и прерывая ток постоянного тока. Благодаря их специальной конструкции, эти арестователи могут быть установлены без отдельного резервного предохранителя (в соответствии с координацией системы).
Гибкое развертывание с или без внешнего LPS.
Установите на стороне постоянного тока фотоэлектрических систем либо без внешней системы молнии (LPS), либо с LPS, когда сохраняется необходимое расстояние расстояния разделения. Это поддерживает безопасную интеграцию как в новых сборках и модернизации.
Служба и варианты мониторинга.
M Индикация: версия с съемным (плагин-модульным модулем для быстрой замены.
S Индикация: версия с удаленным контактом мониторинга для передачи сигналов состояния в реле SCADA/PLC/Alarm.
Типичные приложения
Строки PV, коробки Combiner/Re-Combominer и входы DC Inverter
Установка по масштабам, коммерческим и промышленным, а также PV-установки на крыше
Сайты с или без внешнего LPS, где наблюдается расстояние разделения «S»
Ключевые особенности с первого взгляда
ТИП 2 ВРЕМЕННЫЙ АРРЕСТЕР ДЛЯ ПВ ДК (U или Y Connection)
Y Connection Advantage: устойчивый
Внутренние тепловые отключения на варисторных путях (L+, L-, PE)
Прерывание тока постоянного тока при ошибке; Не требуется резервный предохранитель
Подходит для всех уровней LPL; Поддерживает эквипотенциальное соединение
M = съемный модуль; S = контакт с удаленным мониторингом

