Защитите поставки питания DC с проверенным, соответствующим стандартом подавления всплесков.
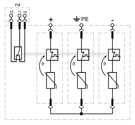
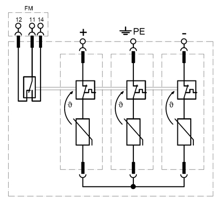
Этот тип 2 DC Surge Protective Device (SPD) защищает чувствительные системы мощности постоянного тока от переходных перенапряжений на границе LPZ 0B - 1 и за его пределами. Интегрированный контакт с удаленным переключением (FM) обеспечивает простую передачу сигналов состояния/тревоги для ПЛК, BMS или SCADA, поддерживая упреждающее обслуживание и быстрое уведомление о разломе.
Построен для промышленных панелей и узких помещений.
Инженерная для быстрой, чистой установки на 35 -мм DIN -рельсе на EN 60715, устройство занимает всего 54 мм железнодорожного пространства, которое для плотных шкафов управления и проектов модернизации. Его степень защиты IP20 (IEC/EN 60529) помогает защищать операторов во время панельных работ при сохранении компактности.
Сертифицированная производительность и долговечность.
Соответствие IEC/EN 61643-11 гарантирует, что устройство соответствует строгим требованиям SPD типа 2 для приложений DC. Механическая надежность подтверждается вибрацией (DIN EN/IEC 60068-2-6) и шоковыми (DIN EN/IEC 60068-2-27). Сертификация EAC поддерживает развертывание на соответствующих евразийских рынках.
Типичные приложения
Защита от питания постоянного тока в промышленной автоматизации и управлении процессами
Photovoltaic DC Distribution и баланс панелей системы
Телеком и центр обработки данных DC Power Bays
Транспортные и инфраструктурные подсистемы DC
Ключевые спецификации (с первого взгляда)
Удаленный контакт с переключением (FM) для передачи сигналов состояния
SPD Тип 2 для поставки питания постоянного тока
Применимо на границе LPZ 0B - 1 и зонах более высокой защиты
Стандарт теста: IEC 61643-11 / en 61643-11
Вибрация: DIN EN 60068-2-6 / IEC 60068-2-6
Шок: ваш EN 60068-27 / IEC 60068-27
Монтаж: 35 мм DIN RAIL (EN 60715)
Степень защиты: IP20 (IEC/EN 60529)
Требуется пространство: 54 мм
Класс воспламеняемости: UL 97 V0
Сертификация: EAC
